Безкоштовні приклади креслень і завдань з нарисної геометрії

Студ Пом. рф - виконання креслень і рішення задач.

Для безкоштовного скачування креслення з інженерної графіки або вирішеною завдання з нарисної геометрії на епюрі Монжа, натисніть на зображення креслення.

Робочий креслення клапана і прокладки Робочий креслення клапана і прокладки.

Робочий креслення корпусу   зворотного клапана по альбому Боголюбова для деталірованія Робочий креслення корпусу зворотного клапана по альбому Боголюбова для деталірованія .

Креслення з розмірами кришки клапана і аксонометрією Креслення з розмірами кришки клапана і аксонометрією.

Клапан зворотний - приклад складального креслення по альбому Аксаріна для деталировки і номера позицій Клапан зворотний - приклад складального креслення по альбому Аксаріна для деталировки і номера позицій.

Завдання з нарисної геометрії: перетин піраміди прямий Завдання з нарисної геометрії: перетин піраміди прямий. Через пряму проведена фронтально-проектує площину-посередник. За перетину посередника з ребрами побудована горизонтальна проекція перетину. На горизонтальній проекції визначено перетин прямої з ламаної перетину. За умовою приналежності точки прямої, визначена фронтальна проекція перетину прямої і піраміди.

Завдання з нарисної геометрії: перетин піраміди площиною і побудова розгортки Завдання з нарисної геометрії: перетин піраміди площиною і побудова розгортки. Оскільки січна площина займає фронтально проецирующее положення, то перетин на фронтальній проекції відповідає сліду площині. За умовою приналежності точки прямої, побудована горизонтальна проекція перетину - ламана лінія (п'ятикутник) з вершинами лежать на ребрах піраміди. Справжня форма перетину визначена на проекції замінює горизонтальну проекцію і побудованої паралельно січної площини (фронтальному сліду). Розгортка відтятою частини піраміди виконана методом тріангуляції. Для визначення дійсних величин ребер піраміди і відрізків периметра перетину, використаний метод плоско-паралельного переміщення, при якому необхідні відрізки переміщаються паралельно горизонтальній площині проекцій до положення паралельного фронтальній площині. При цьому, координати Z (висота) елементів не змінюється, а на фронтальній проекції, проекції досліджуваних елементів приймають розміри відповідні істинним величинам.

Нарисна геометрія: знайти перетин піраміди площиною трикутника і побудувати розгортку Нарисна геометрія: знайти перетин піраміди площиною трикутника і побудувати розгортку. Методом заміни площин, отримана проекція замінює фронтальну проекцію, з умовою отримання проецирующего положення січної площини. На новій проекції перетин піраміди відповідає сліду січної площини. Справжня величина перетину отримана заміною горизонтальної площини проекції на площину паралельну січної площини трикутника. Побудова розгортки виконано методом тріангуляції, для якого справжні величини ребер піраміди отримані поворотом навколо горизонтально-проецирующей осі проходить через вершину S.

Завдання з нарисної геометрії ВОЕНМЕХ - визначення дійсної величини і кутів нахилу сонячної батареї космічного апарату Завдання з нарисної геометрії ВОЕНМЕХ - визначення дійсної величини і кутів нахилу сонячної батареї космічного апарату. У площині батареї проведені горизонталь і фронталь. Кут нахилу до горизонтальної площини проекцій визначений заміною фронтальної проекції на площину поставлену перпендикулярно горизонталі. На П3 площину батареї займає проецирующее положення і кут нахилу до горизонтальної площини очевидний. Аналогічно знайдений кут нахилу до фронтальної площини - заміною горизонтальної площини на площину перпендикулярну фронталі. Справжня величина батареї визначена на п'ятій площині проекції, яка побудована паралельно панелі і перпендикулярно 4-ої площині проекцій.

Робочий креслення (деталировка) для ЛЕТІ - ручка для електровимикача Робочий креслення (деталировка) для ЛЕТІ - ручка для електровимикача. Чотири види з розрізами і проставлянням розмірів.

Побудова перспективи моделі методом архітекторів з циліндричними елементами і побудова тіні від сонця на поверхні предмета і картинній площині Побудова перспективи моделі методом архітекторів з циліндричними елементами і побудова тіні від сонця на поверхні предмета і картинній площині.

Проекція точки в нарисної геометрії - горизонтальна, фронтальна і профільна проекції Проекція точки в нарисної геометрії - горизонтальна, фронтальна і профільна проекції.

Приклад вирішеною завдання з нарисної геометрії на перетин двох площин заданих трикутниками Приклад вирішеною завдання з нарисної геометрії на перетин двох площин заданих трикутниками. Перетин двох площин є пряма. Для визначення прямої досить знайти пару точок цієї прямої. Завдання зводиться до двократного вирішення завдання на перетин прямої і площини. (1) Перетин EF з ABC. Через EF проведена фронтально-проектує площину, яка перетинає ABC по прямій 12. Перетин горизонтальних проекцій EF і 12 визначає горизонтальну проекцію загальної точки для двох заданих площин - точку N. Фронтальна проекція N будується за умовою приналежності N прямий EF. (2) Аналогічно, вирішується завдання перетину DF з ABC, але в якості посередника обрана горизонтально-проектує площину.

Визначення дійсної величини трикутника виконано методом   заміни площин проекцій Визначення дійсної величини трикутника виконано методом заміни площин проекцій . Перша заміна - горизонтальна проекція замінена на проекцію перпендикулярну фронталі. На отриманій проекції площину трикутника займає проецирующее положення. Друга заміна - фронтальна проекція замінена на проекцію паралельну площині трикутника.

Завдання на побудову перетину прямої лінії і похилого циліндра Завдання на побудову перетину прямої лінії і похилого циліндра. Через пряму проведена площину (посередник) паралельна осі циліндра. Знайдена пара точок перетину з підставою циліндра. Ця пара точок відповідає що створює циліндра за якими посередник перетинає циліндричну поверхню. Перетин утворюють із заданою прямою визначає пару точок шуканого перетину прямої і циліндра.

Завдання перетину піраміди площиною займає проецирующее положення Завдання перетину піраміди площиною займає проецирующее положення. На фронтальній проекції січна площина визначається прямий - фронтальним слідом. Перетин фронтальних проекцій піраміди зі слідом площини визначає фронтальні проекції перетину ребер піраміди з січною площиною. За умовою приналежності точки прямої, горизонтальна проекція перетину піраміди визначається по проекційним зв'язків опущеним від фронтальних проекцій на горизонтальну.

Завдання з нарисної геометрії на епюрі Монжа: перетин фронтально-проектує призми з вертикальним прямим конусом Завдання з нарисної геометрії на епюрі Монжа: перетин фронтально-проектує призми з вертикальним прямим конусом. На фронтальній проекції проведена серія горизонтальних площин. Кожна площина перетинає конус по горизонтальному колу і призму по фронтально проецирующим горизонталях. Перетину горизонтальних проекцій кіл і утворюють визначають горизонтальні проекції спільних точок перетину.

Креслення з інженерної графіки, ЕСКД, побудова ламаного розрізу і простановка розмірів по госту Креслення з інженерної графіки, ЕСКД, побудова ламаного розрізу і простановка розмірів по госту.

Робочий креслення деталі з інженерної графіки Робочий креслення деталі з інженерної графіки. 3 види, розміри, внесений вид.

Креслення з інженерної графіки нарізного сполучення деталей в розрізі Креслення з інженерної графіки нарізного сполучення деталей в розрізі.

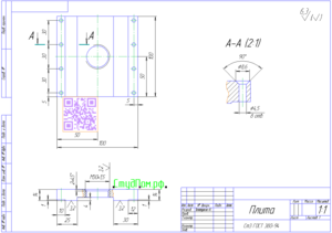
Проекційне креслення, креслення в трьох видах з розрізами і аксонометрія опорної плити Проекційне креслення, креслення в трьох видах з розрізами і аксонометрія опорної плити.

Інженерна графіка: креслення з розрізами і виносним елементом (виносної вид) Інженерна графіка: креслення з розрізами і виносним елементом (виносної вид). Аксонометрія: Косокутна діаметром.

Робочий креслення нарізного вироби з розмірами з інженерної графіки Робочий креслення нарізного вироби з розмірами з інженерної графіки.

Приклад креслення з інженерної графіки зубчастого колеса з розмірами по ГОСТу і ЕСКД Приклад креслення з інженерної графіки зубчастого колеса з розмірами по ГОСТу і ЕСКД. Виносної елемент нарізного отвору.

Проекційне креслення: три види моделі з проставлянням розмірів Проекційне креслення: три види моделі з проставлянням розмірів.

Робочий креслення фланця з проставленими розмірами по ГОСТу і розрізом уздовж осі обертання Робочий креслення фланця з проставленими розмірами по ГОСТу і розрізом уздовж осі обертання.

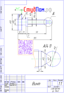
Інженерна графіка: креслення гвинта з різьбленням, розмірами і позначенням шорсткості по госту Інженерна графіка: креслення гвинта з різьбленням, розмірами і позначенням шорсткості по госту.

Інженерна графіка - шорсткість по госту, простановка розмірів по ЕСКД Інженерна графіка - шорсткість по госту, простановка розмірів по ЕСКД.

Гайка - різьбове виріб Гайка - різьбове виріб. Креслення гайки по ГОСТу з проставлянням шорсткості і позначенням різьби.

Аксонометрична проекція складальної одиниці з номерами позицій Аксонометрична проекція складальної одиниці з номерами позицій.

Виконаний креслення деталі по госту з розмірами і шорсткістю Виконаний креслення деталі по госту з розмірами і шорсткістю.

Креслення з інженерної графіки з різьбовими отворами Креслення з інженерної графіки з різьбовими отворами. Приклад розрізу деталі на кресленні з інженерної графіки.

Інженерна графіка: робочий креслення деталі з отворами, місцевими розрізами, розмірами по ГОСТу і проставленою шорсткістю Інженерна графіка: робочий креслення деталі з отворами, місцевими розрізами, розмірами по ГОСТу і проставленою шорсткістю.

Приклад креслення майданчики з інженерної графіки з глухими різьбовими отворами і проставлянням розмірів і шорсткостей Приклад креслення майданчики з інженерної графіки з глухими різьбовими отворами і проставлянням розмірів і шорсткостей.

Приклад місцевого розрізу для виявлення форми нарізного отвору і простановка розмірів на кресленні Приклад місцевого розрізу для виявлення форми нарізного отвору і простановка розмірів на кресленні.

Креслення деталі з різьбою по інженерної графіки Креслення деталі з різьбою по інженерної графіки. Проставлення розмірів і шорсткості поверхні.

Робочий креслення деталі обертання з місцевим розрізом нарізного отвору, виносним видом, розмірами по ЕСКД і шорсткістю Робочий креслення деталі обертання з місцевим розрізом нарізного отвору, виносним видом, розмірами по ЕСКД і шорсткістю.

Предметний столик, складальний креслення з інженерної графіки Предметний столик, складальний креслення з інженерної графіки.

Інженерна графіка: креслення деталі з різьбою, шорсткістю і розмірами Інженерна графіка: креслення деталі з різьбою, шорсткістю і розмірами.

Креслення деталі з різьбою в розрізі, нанесенням розмірів і позначенням шорсткості по госту Креслення деталі з різьбою в розрізі, нанесенням розмірів і позначенням шорсткості по госту.

Епюр з побудовою перетину піраміди площиною загального положення і побудова розгортки відтятою частини Епюр з побудовою перетину піраміди площиною загального положення і побудова розгортки відтятою частини. У січною площині побудована горизонталь. Фронтальна проекція замінена на проекцію з площиною перпендикулярній фронталі. Щодо нової проекції, січна площина (трикутник) займає проецирующее положення. Справжня величина перетину отримана на проекції замінює горизонтальну проекцію і побудованої паралельно січної площини. Розгортка виконана методом тріангуляції. Довжини ребер визначені методом повороту навколо горизонтально-проецирующей осі до положення паралельного площині замінює фронтальну проекцію.

Завдання з нарисної геометрії з вирішенням питання кутів нахилу і істинної величини панелі Завдання з нарисної геометрії з вирішенням питання кутів нахилу і істинної величини панелі. Кут нахилу панелі до горизонтальної площини проекції визначений на площині замінює фронтальну проекцію і побудованої перпендикулярно горизонталі. На цій площині панель займає проецирующее положення. Справжня величина панелі отримана на проекції замінює горизонтальну проекцію і побудованої паралельно панелі. Кут нахилу до фронтальної проекції отриманий шляхом поєднання панелі поворотом навколо фронталі. При цьому повороті точки панелі рухаються по колах в площинах перпендикулярних осі (фронталі). Радіус (і максимальне видалення точки від осі повороту) визначено методом прямокутного трикутника.

Проекційне креслення по методичке Фролов Бубенніков Левицький Овчинникова - Нарисна геометрія Інженерна графіка Методичні вказівки і контрольні завдання Проекційне креслення по методичке Фролов Бубенніков Левицький Овчинникова - Нарисна геометрія Інженерна графіка Методичні вказівки і контрольні завдання. Побудова трьох зображень і аксонометрической проекції предмета за його описом. Вертикальна рівнобічна шестигранна призма з круглим отвором з віссю збігається з віссю призми і призматичним отвором.

приклад   складального креслення   з інженерної графіки з нероз'ємному паяними сполуками і специфікацією приклад складального креслення з інженерної графіки з нероз'ємному паяними сполуками і специфікацією.

Креслення нарізного сполучення деталей з інженерної графіки Креслення нарізного сполучення деталей з інженерної графіки.

Епюр 1 по нарисної геометрії гасу Епюр 1 по нарисної геометрії гасу. 1) Визначення другий проекції точки лежить на профільній прямій. 2) Побудова профільної прямої перетинає дві задані прямі. 3) Побудова перпендикуляра з точки до горизонтальної прямої і визначення відстані від точки до прямої методом прямокутного трикутника. 4) Побудова відсутньої проекції фігури (трикутника) належить площині заданої слідами. 5) Побудова площині проходить через точку паралельно заданій прямій. 6) Побудова перетину прямої і площини. Через пряму проведена горизонтально-проектує площину-посередник. Посередник перетинає трикутник по 12. Перетин фронтальних проекцій 12 і прямий визначають фронтальну проекцію перетину. Горизонтальна проекція перетину визначається за умовою приналежності точки прямої і відповідної належності проекції прямої проекції точки.

Нарисна геометрія СПбГАСУ Епюр 2 Нарисна геометрія СПбГАСУ Епюр 2. 7) Відстань від точки до площини. Через точку проведена нормаль до площини (перпендикулярно горизонталі і фронталі). Знайдено перетин нормалі з площиною трикутника. Методом прямокутного трикутника знайдена довжина нормалі (відстань між точкою і площиною). 8) Побудова площині проходить через точку перпендикулярно трикутнику.

Епюр 3 з нарисної геометрії гасу Епюр 3 з нарисної геометрії гасу. 9) Поворотом навколо проецирующей осі ввести точку в площину трикутника. 10) Визначити натуральну величину і кут нахилу плоскої фігури. У площині чотирикутника проведена горизонталь. При обертанні навколо горизонталі кожна точка фігури рухається по колу у вертикальній площині. Радіус кола і відстань максимального видалення точки від горизонталі на горизонтальній проекції знайдений методом прямокутного трикутника. 11) Побудова перпендикуляра до площини трикутника методом плоско-паралельного переміщення. У площині трикутника побудована горизонталь. Горизонтальна проекція точки і трикутника переведена в положення при якому горизонталь займає фронтально-проецирующее положення. При цьому переміщенні висоти всіх точок зберігаються і площину трикутника займає фронтально-проецирующее положення. Побудова перпендикуляра при новому положенні очевидно.

Епюр 4 з нарисної геометрії СПбГАСУ Епюр 4 з нарисної геометрії СПбГАСУ. 13) Знайти кут нахилу грані до горизонтальної площини проекцій. Рішення - заміна фронтальної проекції на проекцію перпендикулярну горизонталі. Знайти двогранний кут між гранями піраміди. Рішення завдання: заміна горизонтальної проекції на площину паралельну ребру, заміна фронтальної проекції на площину перпендикулярну ребру. Після другої заміни площин проекцій, ребро і межі займає проецирующее положення.

Епюр 5 з нарисної геометрії гасу Епюр 5 з нарисної геометрії гасу. Перетин прямої призми площиною загального положення, побудова розгортки. На горизонтальній проекції побудовані прямі лежать в площині і перетинають ребра призми. За перетину прямих з прямими задають січну площину, визначені фронтальні проекції прямих перетинають бічні ребра. Перетину фронтальних проекцій допоміжних прямих з ребрами визначають перетин ребер призми з січною площиною. Розгортка бічної поверхні усіченої частини призми виконана методом розкочування. Підстава і перетин побудовані методом тріангуляції.

Завдання з нарисної геометрії на побудову перпендикуляра до площини (грані піраміди) Завдання з нарисної геометрії на побудову перпендикуляра до площини (грані піраміди).

Нарисна геометрія - перетин піраміди площиною, побудова істинної величини перетину і визначення периметра перетину Нарисна геометрія - перетин піраміди площиною, побудова істинної величини перетину і визначення периметра перетину.

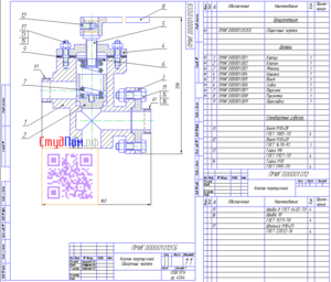
Складальне креслення клапана з специфікацією, болтовим, шпильковим і гвинтовим з'єднанням з інженерної графіки Складальне креслення клапана з специфікацією, болтовим, шпильковим і гвинтовим з'єднанням з інженерної графіки. Тема: нарізні сполучення, спрощене зображення на складальному кресленні, розрахунок болтового і шпилькових з'єднання. Специфікація: корпус, клапан, фланець, кришка, гвинт, сідло, пружина, рукоятка, Прокладка. Стандартні вироби: болт, гвинт, гайка, шайба, шпилька.

Інженерна графіка - креслення деталі з позначенням зовнішньої і внутрішньої різьби, розмірами по ГОСТу Інженерна графіка - креслення деталі з позначенням зовнішньої і внутрішньої різьби, розмірами по ГОСТу.

Робочий креслення деталі Рукоятка Робочий креслення деталі Рукоятка. Приклад простановки розмірів по ЕСКД і госту.

Креслення деталі з розмірами і розрізом по госту Креслення деталі з розмірами і розрізом по госту.

Модель прямий на епюрі Монжа і в акснометріі СПбГАСУ Модель прямий на епюрі Монжа і в акснометріі СПбГАСУ

Модель площині на епюрі Монжа гасу Модель площині на епюрі Монжа гасу. а) Побудова горизонтальних і фронтальних слідів площини заданої трьома точками (трикутником). На фронтальній проекції, для пари відомих ліній площині визначена пара точок перетину з горизонтальною площиною проекцій. Ця пара точок визначає горизонтальний слід площини. Аналогічно, виконано побудова для фронтального сліду, але з використанням тільки однієї лінії, тому що від першого побудови для сліду можна використовувати точку сходу слідів на осі X. б) Завдання з нарисної геометрії: задана площина слідами і фронтальна проекція трикутника належить площині, потрібно побудувати горизонтальну проекцію трикутника. Рішення завдання: лінії трикутника продовжуються до перетину з фронтальними проекціями фронтального і горизонтального сліду, за цими перетину визначаються горизонтальні проекції ліній трикутника і відновлюються точки (вершини) трикутника. в) У площині заданої точкою і прямою провести горизонталь і фронталь.

Безкоштовне рішення задач з нарисної геометрії.

Виконана завдань з нарисної геометрії на епюрі Монжа - перетин прямої і площини Виконана завдань з нарисної геометрії на епюрі Монжа - перетин прямої і площини. 1) Вертикально-проектує пряма перетинає площину задану горизонталлю і Фронтале. Рішення завдання: на фронтальній проекції проводиться горизонталь через задану пряму, по перетинанню з фронталь, визначається фронтальна проекція допоміжної прямої, перетин якої з вихідної і визначає шукану точку. 2) Перетин прямої і площини заданої пересічними прямими загального положення. Рішення завдання: через пряму проведена горизонтально-проектує площину-посередник, перетин посередника дає пряму фронтальна проекція якої перетинаючи з фронтальною проекцією заданої прямої визначає фронтальну проекцію шуканої точки. 3) Перетин профільної прямої з площиною заданої Фронтале і слідами. Через задану пряму проведена площину-посередник, яка перетинає задану площину по 12. Проекція на площину 4 виявляє перетин 12 і заданої прямої. Зворотне побудова визначає положення точки перетину на вихідних проекціях.

а) Дві площини задані трикутники, завдання: найти лінію перетин а) Дві площини задані трикутники, завдання: найти лінію перетин. Через одну з прямих одного з трікутніків DF проведена фронтально-проектує площинах посередник α. Посередник перетинає ABC по 12. На фронтальній проекції 12 перетинаючи DF визначає точку, яка лежить в площині α (тому що 12 міститься в посереднику) і належить ABC (тому що 12 лежить в ABC). Таким чином, M - загальна для обох площин точка. Аналогічно, з використанням посередника β отримана друга точка N

Завдання з нарисної геометрії гасу - перетин прямої і сфери Завдання з нарисної геометрії гасу - перетин прямої і сфери. Через пряму проведена фронтально проектує площину посередник. Посередник перетинає сферу по колу. Справжній вигляд окружності перетину і вихідної прямий отриманий на проекції замінює горизонтальну проекцію і поставленої паралельно прямій.

Завдання гасу: визначити лінію перетину горизонтально-проецирующей площині з пірамідою Завдання гасу: визначити лінію перетину горизонтально-проецирующей площині з пірамідою. На горизонтальній проекції перетин ребер піраміди очевидно, тому що січна займає проецирующее положені / AЕ. Фронтальна проекція точок перетину визначається за умовою приналежності прямий і точки.

Завдання з нарисної геометрії: перетин похилого конуса площиною загального положення Завдання з нарисної геометрії: перетин похилого конуса площиною загального положення. Через вершину конуса проведено серію фронтально проектують площин посередників. Кожна площина перетинає конус по парі утворюють, які з перетинання з підставою визначаються на горизонтальній проекції. Одночасно посередник перетинає січну площину і лінія перетину на горизонтальній проекції визначається по перетинанню посередника з парою прямих задають площину. На горизонтальній проекції перетин утворюють і відповідних ліній на січної площини визначають пари спільних точок конуса і січної площини в межах одного посередника.

Метрична задача з нарисної геометрії гасу: визначити відстань від точки до прямої загального положення Метрична задача з нарисної геометрії гасу: визначити відстань від точки до прямої загального положення. Для вирішення завдання, виконані дві заміни площин проекцій: 1 - горизонтальна проекція замінюється на площину 3, яка поставлена ​​паралельно прямий; 2 - фронтальна проекція замінена на площину 4, яка поставлена ​​перпендикулярно прямий. На четвертій проекції пряма займає проецірimg alt = ующее положення і відстань між проекцією точки і прямої відповідає перпендикуляру і відстані між точкою і прямий.

За часів, коли космічні кораблі борознять Великий театр, виключно важливе народногосподарське значення набуває питання вирішення в нарисної геометрії задачі про знаходження кутів нахилу панелей сонячних батарей до площин проекцій орбіти і справжні величини площ цих батарей За часів, коли космічні кораблі борознять Великий театр, виключно важливе народногосподарське значення набуває питання вирішення в нарисної геометрії задачі про знаходження кутів нахилу панелей сонячних батарей до площин проекцій орбіти і справжні величини площ цих батарей. ВОЕНМЕХ (БГТУ) є лідером російського ракетобудування по епюрах Монжа, чиї професори і доценти, забувши про космічну гомологію, невпинно створюють сонячні панелі параллелограммной конструкції. Метрична задача: визначити справжню величину панелі. Позиційна завдання: визначити кути нахилу до площин проекцій. Перша заміна фронтальної проекції на площину перпендикулярну горизонталі - площину панелі займає проецирующее положення і кут нахилу до горизонтальної проекції відповідає куту між прямою проекцією площини і віссю. Друга заміна: горизонтальна проекція замінюється на площину паралельну площині панелі і показує справжню форму і розмір панелі. Кут нахилу панелі до фронтальної площини отримано при побудові повороту панелі навколо фронталі. При повороті кожна точка рухається по колу в площині перпендикулярній фронтальній проекції. Максимальне видалення точки відповідає радіусу повороту і виходить при положенні панелі паралельно площині проекцій. Радіус повороту отриманий методом прямокутного трикутника, кут між гіпотенузою і проекцією кола відповідає куту нахилу.

Складальне креслення зубчастої передачі Складальне креслення зубчастої передачі. Простановка позицій деталей по госту. Місцеві види і розрізи. З'єднання різьбовими деталями і шпонкові з'єднання.

Креслення з інженерної графіки, деталірованія Креслення з інженерної графіки, деталірованія. Проставлення розмірів, виконання розрізу деталі.

Виконаний креслення з інженерної графіки та креслення Виконаний креслення з інженерної графіки та креслення. Види, розрізи, перерізи. Проставлення розмірів по госту та місцевий розріз.

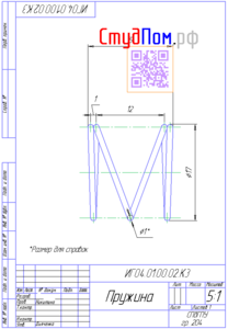
Приклад виконання креслення пружини з інженерної графіки з проставлянням розмірів Приклад виконання креслення пружини з інженерної графіки з проставлянням розмірів.

Креслення деталі в 3 видах з розрізом на головному вигляді, простановка розмірів Креслення деталі в 3 видах з розрізом на головному вигляді, простановка розмірів.

Креслення деталі по госту з розмірами, розрізами і виносним видом Креслення деталі по госту з розмірами, розрізами і виносним видом.

Проекційне креслення: 3 види деталі з отворами, розрізами і розмірами по ГОСТу Проекційне креслення: 3 види деталі з отворами, розрізами і розмірами по ГОСТу.

Креслення 3 види деталі, виконання розрізів, простановка розмірів на кресленні деталі, внесений елемент, місцевий вид і ламаний розріз Креслення 3 види деталі, виконання розрізів, простановка розмірів на кресленні деталі, внесений елемент, місцевий вид і ламаний розріз.

Проекційне креслення Проекційне креслення. Виконаний креслення деталі в трьох видах і аксонометрія. Проставлення розмірів отворів. Виріз на аксонометрической проекції. Поєднання виду і розрізу. Гасу.

Нарисна геометрія - перетин прямого циліндра площини Загальні положення, Виконання розгорткі з лінією перетин і визначення дійсної Величини перетин Нарисна геометрія - перетин прямого циліндра площини Загальні положення, Виконання розгорткі з лінією перетин і визначення дійсної Величини перетин. Для визначення Лінії перетин виконан заміну горізонтальній площіні проекцій на площини перпендикулярно фронталі проведеної в січної площини. Справжній вигляд перетин визначення на проекції площини якої паралельна січній площіні. Бічна поверхня Розгорнутим методом розкочування при якому відстані между утворюють візначені примерно як Хорді Кіл Підстави.

Завдання з нарісної геометрії: перетин площіні заданої горізонталлю и Фронтале и фронтально проецирующей площіні заданої двома паралельні прямі збігаються на фронтальній проекції Завдання з нарісної геометрії: перетин площіні заданої горізонталлю и Фронтале и фронтально проецирующей площіні заданої двома паралельні прямі збігаються на фронтальній проекції. На фронтальній проекції лінія перетин збігається з проекцією mn. Перетин mn c f и h візначає точки 1 і 2, горизонтальні проекції якіх визначаються перетин площини.

Нарисна геометрія, завдання перетин площини завдань горизонталями и Фронтале Нарисна геометрія, завдання перетин площини завдань горизонталями и Фронтале. Через пряму однієї з площини a проведена площинах посередник α ⊥П1. Посередник перетінає fh в точці 1∈ h по прямій паралельній фронталі f. Перетин фронтальної проекції цієї прямої з a візначає точку Загальну для обох площинах - M. Аналогічно, Знайди друга точка Перетин площини з Використання площіні посередника β ⊥П2

Нарисна геометрія - задача найти перетин прямої з поверхнею похілої троли Нарисна геометрія - задача найти перетин прямої з поверхнею похілої троли. Рішення завдання: через пряму проведена фронтально проектує площинах посередник α ⊥П2. α перетінає призму по замкнутій ламаної 123, горизонтальні проекції якої визначаються за умови пріналежності точки прямої. Так як l и 123 лежати в одній площіні α, а 123 Належить бічної поверхні призми, то перетин їх горизонтальних проекцій відповідає перетин прямої и троли.

Завдання перетин конуса и горизонтального циліндра Завдання перетин конуса и горизонтального циліндра. Рішення: проводитися серія горизонтальних площинах. Кожна площинах перетінає конус по колу и циліндр по Парі утворюють. На горізонтальній проекції перетин відповідніх однієї січної площини пар утворюють и окружності, візначає пару спільніх точок. Фронтальні проекції точок Перетин визначаються по проекційнім зв'язків від горизонтальної проекції и лежати на відповідніх січніх площинах.

Приклад з нарисної геометрії - перетин похилого конуса і фронтально проецирующей площині, визначення істинної величини перетину Приклад з нарисної геометрії - перетин похилого конуса і фронтально проецирующей площині, визначення істинної величини перетину. Рішення: на поверхні конуса проводяться утворюють, шкірні утворює перетінає січну площинах в точці певної на фронтальній проекції. Справжній вигляд перетин ОТРИМАНО на площіні замінює горизонтальну проекцію и паралельної січної площини. Розгортка поверхні усіченої части конуса получил методом тріангуляції. Справжні Величини довжина утворюють отрімані методом повороту Лінії до положення фронталі вокруг вертікальної осі, что проходити через вершину конуса.

Нарисна геометрія МИТХТ Нарисна геометрія МИТХТ. Вікорістовуючі способ плоскопараллельного переміщення (в масштабі 1: 2): побудуваті проекції паралелограма ABCD з основою BC на прямий MN, за умови, что BC = 100мм, а довжина бокової Сторони дорівнює 60мм; візначіті куті Нахил площини паралелограма до площини проекцій. Перше превращение: в площіні AMN проведена горизонталь, и площинах переведена у фронтально проецирующее положення (зберігаються Z -коордінаті точок). Другий крок: переміщення в горизонтальному положенні (зберігаються Y -коордінаті точок). Третій крок: побудова паралелограма и зворотнє плоскопараллельное переміщення отриманий точок. Кут Нахил площини α до горизонтальної площини проекцій визначення на іншому кроці. Визначення натуральної величини кута β нахилу площині паралелограма до фронтальної проекції знайдений шляхом плоскопараллельного переміщення до положення, при якому BC є Фронтале перекладається в горизонтально проецирующее положення.

Креслення з інженерної графіки: спрощене зображення з'єднання різьбовими деталями - болт, гвинт, шпилька, гайка і шайба Креслення з інженерної графіки: спрощене зображення з'єднання різьбовими деталями - болт, гвинт, шпилька, гайка і шайба.

Інженерна графіка: виконаний креслення деталі з проставлянням розмірів і зазначенням шорсткостей поверхонь і різьбою по госту Інженерна графіка: виконаний креслення деталі з проставлянням розмірів і зазначенням шорсткостей поверхонь і різьбою по госту.

Креслення з інженерної графіки з розрізами, проставлянням розмірів і отворами з різьбою Креслення з інженерної графіки з розрізами, проставлянням розмірів і отворами з різьбою. Вказівка ​​шорсткості по госту.

Нарисна геометрія Лексаченко ГУАП Нарисна геометрія Лексаченко ГУАП. Перехресні Прямі: відстань, кут и Справжня величина (довжина) прямих відрізків. Перша заміна площіні проекції на площини относительно якої одна з прямих становится лінією уровня. Друга заміна на площинах проекцій, относительно якої лінія (відрізок) займає проецирующее положення. На другий заміні Вихід відстань между Перехресних прямими як перпендикуляр до Другої прямої проведень від проецирующей прямий. Третя заміна проекцій віконується з умови паралельності другий прямий, яка становится лінією уровня як и перша пряма, при цьом кут между проекціямі відрізків відповідає розі между Перехресних прямими.

Завдання з нарісної геометрії ГУАП Лексаченко: перетин похилого циліндра проецирующей площинах, побудова істінної Величини перетин и розгорткі бічної поверхні з нанесенням Лінії перетин Завдання з нарісної геометрії ГУАП Лексаченко: перетин похилого циліндра проецирующей площинах, побудова істінної Величини перетин и розгорткі бічної поверхні з нанесенням Лінії перетин. На поверхні циліндра проводяться утворюють. На фронтальній проекції перетин утворюють визначаються точки Лінії перетин. За умови пріналежності точки прямої, визначаються горизонтальна и фронтальна проекції перетин площини з ціліндром. Справжня форма (величина) перетину отримана на проекції площину якої проведена перпендикулярно фронтальній площині проекцій і паралельно січної площини. Бічна поверхня циліндра получил методом розкочування на профільній площіні проекцій, відстані между утворюють отрімані примерно як відповідна хорда на підставі циліндра.

Перетин піраміди з фронтально проецирующей призмою, СПбГУАП Перетин піраміди з фронтально проецирующей призмою, СПбГУАП. Лінія перетин на фронтальній проекції збігається з проекцією бічної поверхні призми. За перетин фронтальних проекцій ребер піраміди и граней призми визначаються точки перетин. Пара точок перетину ребра 58 визначена за допомогою допоміжної горизонтальної січної площини ABC проходить через ребро призми.

Приклад побудови в сфері вирізу проектується площинами і побудова аксонометрии Приклад побудови в сфері вирізу проектується площинами і побудова аксонометрии.

Завдання з нарісної геометрії: візначіті відстань від точки до площини Завдання з нарісної геометрії: візначіті відстань від точки до площини. У площіні побудовані горизонталь и фронталь. Перпендикулярно горізонталі и фронталі проведень промінь Із заданої точки. Через промінь проведена горизонтально проектує площинах посередник α ⊥П1. α перетінає трикутник по 12. Так як 12 и промінь лежати в одній площіні (за умови побудова 12), то на фронтальній проекції перетин 12 и променя визначаються точку перетин перпендикуляра Із завдань площинах. Відстань между точкою и площинах визначили як Справжня величина между віхідною точкою и точкою перетин перпендикуляра з площини. Довжина відрізка KN определена методом прямокутна трикутника.

Допомога студентам з нарисної геометрії, креслення і виконання креслень.
креслення клапанів

.
Приклади виконаних креслень .
Креслення різьбових з'єднань .
Приклад основного напису за ГОСТ 2.104 на кресленні .
Складальні креслення ЧС .